Schematic/docs
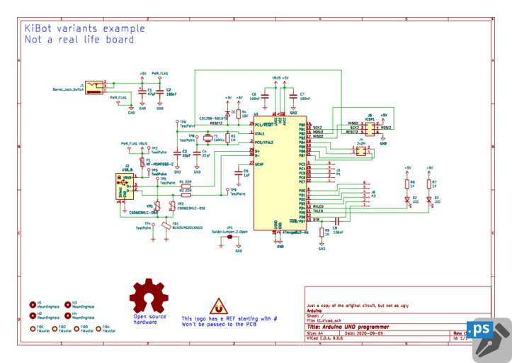
Arduino UNO programmer
Arduino
Rev. r1
Variant:
Logo
erc
t1-erc.html

t1-erc.html

erc

t1-erc.rpt

t1-erc.rpt

erc

t1-erc.json

t1-erc.json

erc

t1-erc.csv

t1-erc.csv

erc

ZIP file for the exported project
t1-_ExportProject_compress.zip

t1-_ExportProject_compress.zip

_ExportProject_compress

Schematic diff between the last two changes
t1-diff_sch.pdf

t1-diff_sch.pdf

basic_diff_sch

Download the datasheets
ATmega8U2-AU.pdf

ATmega8U2-AU.pdf

basic_download_datasheets

Schematic in DXF format
t1-schematic.dxf

t1-schematic.dxf

basic_dxf_sch_print

Schematic in HPGL format
t1-schematic.plt

t1-schematic.plt

basic_hpgl_sch_print

Information about the run
t1-info.txt

t1-info.txt

basic_info

Web page to browse the schematic and/or PCB
t1-kicanvas.html

t1-kicanvas.html

basic_kicanvas

Interactive diff between commits
index.html

index.html

basic_kiri

Schematic in PDF format
t1-schematic.pdf

t1-schematic.pdf

basic_pdf_sch_print

Schematic in PS format
t1-schematic.ps

t1-schematic.ps

basic_ps_sch_print

Schematic in SVG format
t1-schematic.svg

t1-schematic.svg

basic_svg_sch_print

Generated by KiBot v1.8.5